STP-1197
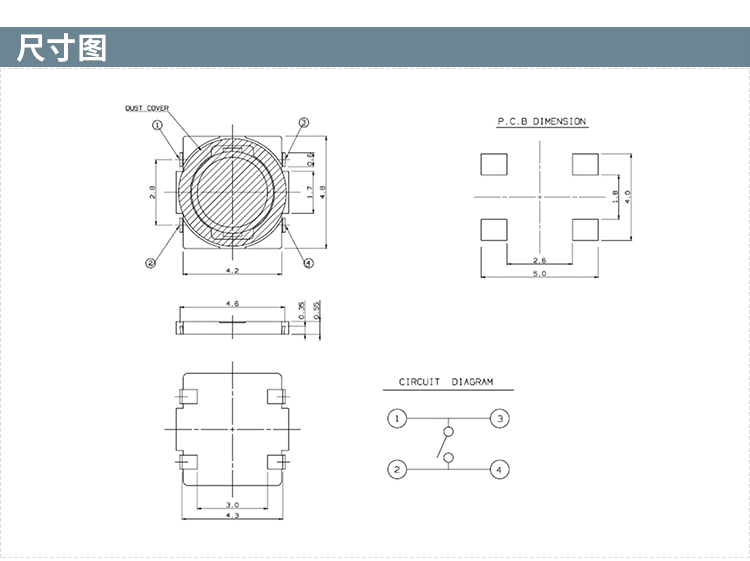
STP-1197薄膜开关4.8*4.8*0.55锅仔片轻触开关
2350
1. Rating : DC 12V, 50mA
2. Travel : 0.25±0.1m/m
3. Operating Force : 180±50gf
4. Contact Resistance : 100mΩ Max.
5. Life : 100,000 cycles
2. Travel : 0.25±0.1m/m
3. Operating Force : 180±50gf
4. Contact Resistance : 100mΩ Max.
5. Life : 100,000 cycles




















